Блок управления дизельным двигателем схема
Схема АВР 380В с ДГУ
В данной статье, речь пойдет о схеме АВР на напряжение 380 В от трех независимых источников питания, в качестве третьего источника питания предусматривается дизель генераторная установка (ДГУ).
Питание потребителей от трех независимых источников питания предусматривается для потребителей 1-й категории особой группы, когда необходима бесперебойная работа для безаварийного останова производства с целью предотвращения угрозы жизни людей, взрывов и пожаров в соответствии с ПУЭ 7-издание пункт 1.2.18.
Особенностью данной схемы является то, что при отключенных обоих вводах, в случае аварии или вручную были отключены вводы, например для проверки (ремонта) электрооборудования, производится автоматический запуск ДГУ и подключение к нему нагрузки. При восстановлении напряжения на любом из вводов, происходит автоматическое переключение в исходное состояние. На рис.1 представлена схема АВР с ДГУ выполненная на контакторах в однолинейном изображении.


Рис.1 – Схема АВР с ДГУ на контакторах в однолинейном изображении
Принцип работы АВР
В нормальном режиме, питание потребителей напряжением 380В осуществляется от Ввода 1 или Ввода 2 через общий силовой контактор КМ3, который включается через определенную выдержку времени с помощью реле времени КТ1, делается это для того, чтобы питание осуществлялось при наступлении устойчивого режима работы.
Наличие напряжения на каждом из вводом контролируется реле контроля напряжения KV1 и KV2. Переключатель SA1 служит для выбора приоритетного ввода. При наличии напряжения на обоих вводах, первым подключится тот ввод у которого выбран приоритет (положение «1» – первый ввод, положение «0» – оба ввода отключены, положение «2» – второй ввод).


Рис.2 – Схема электрическая принципиальная АВР с ДГУ на контакторах
Принцип работы АВР с основными вводами (Ввод 1 и Ввод 2)
Например при исчезновении напряжения на Вводе 1, срабатывает реле контроля напряжения KV1 и размыкает своими контактами, цепь питания контактора КМ1. При наличии напряжения на Вводе 2, контакты реле KV2 замкнуты и если контактор КМ1 находится в отключенном состоянии, то сработает контактор КМ2, при этом контактор КМ3 находится во включенном состоянии и напряжение потребителям подается через замкнутые силовые контакты контакторов КМ1 и КМ3.
Аналогично выполняется АВР для Ввода 2.
Принцип работы АВР с ДГУ
При пропадании напряжения на основных вводах: Ввод 1 и Ввод 2, происходит замыкание цепи управления генератором, размыкание цепи питания силового контактора КМ3. После того, как генератор запустится и реле контроля напряжения KV3 замкнет свой выходной контакт, начинается отсчет времени с помощью реле времени с задержкой на включение KT2, необходимый для стабилизации выходных параметров генератора. По окончании отсчета, цепь питания контактора КМ4 замыкается и подключается питание генератора.
При восстановлении напряжения на каком либо из основных вводов. Например восстановилось напряжение на Вводе 1, в этом случае срабатывает реле контроля напряжения KV1 и своими контактами замыкает цепь питания контактора КМ1. При этом выходные контакты контактора КМ1 замыкаются и подается питание на реле времени с задержкой на включение KT1.
После окончания отсчета времени, реле времени КТ1 замыкает цепь питания промежуточное реле KL3, которое в свою очередь замыкает цепь питания катушки контактора КМ3 и размыкает цепь питания контактора КМ4, после того как контактор КМ4 отключится, сработает КМ3 и через замкнутые силовые контакты контакторов КМ1 и КМ3 подается напряжение потребителям от основного Ввода 1.
Блок управления двигателем: сердце современного силового агрегата


Практически во всех современных двигателях используются электронные системы управления, основным компонентом которых является электронный блок управления (ЭБУ). О том, что такое ЭБУ двигателя, как они устроены и функционируют, а также об их правильном выборе, диагностике и замене — читайте в статье.
Что такое блок управления двигателем?
Электронный блок управления двигателем (ЭБУ, Engine Control Module — ECM, контроллер двигателя) — основной электронный модуль централизованной системы управления силовым агрегатом и (или) вспомогательными системами транспортного средства.
ЭБУ является неотъемлемой частью любого современного двигателя, на него возлагается управление основными и вспомогательными системами силового агрегата:
- В бензиновых моторах — управление системой зажигания;
- В инжекторных и дизельных моторах — управление впрыском топлива;
- Управление дроссельной заслонкой и регулирование состава топливно-горючей смеси;
- Управление газораспределительным механизмом (установка фаз газораспределения);
- Регулирование состава отработавших газов;
- Управление вспомогательными системами двигателя — системой охлаждения (включение/выключение вентилятора, управление клапанами и т.д.), смазки и другими;
- Управление системами экологии двигателя — рециркуляции отработавших газов, улавливания паров бензина и другими;
- Управление прочими системами автомобиля, связанными с силовым агрегатом;
- Диагностика систем двигателя и его отдельных элементов.
Электронный блок выполняет управление всеми системами в режиме реального времени в зависимости от текущих условий — оборотов двигателя и динамики их изменения, положения дроссельной заслонки, температуры окружающей среды, скоростного режима и т.д. Все данные о текущих условиях поступают на ЭБУ от датчиков, они подвергаются обработке в соответствии с алгоритмами и используются для управления исполнительными механизмами и устройствами. Подробнее о работе ЭБУ и связанных с ним датчиков и исполнительных устройств рассказано ниже.
Блок управления двигателем обеспечивает работу силового агрегата и функционирование всего транспортного средства, поэтому при появлении любых неисправностей он должен быть отремонтирован или заменен. Но прежде, чем покупать данное устройство, нужно разобраться в его типах, устройстве и принципах работы.
Блок управления ЯМЗ-536,534,650,651 двигателем электронный (аналог 650.3763010) АВТОДИЗЕЛЬ
Блок управления ЯМЗ-650.10 двигателем электронный (аналог 536.3763010) АВТОДИЗЕЛЬ
Блок управления КАМАЗ двигателем CUMMINS ISBe,ISDe.ISLe без прошивки OE (ОАО КАМАЗ)
Блок управления ЯМЗ-53443 двигателем электронный АВТОДИЗЕЛЬ
Блок управления OPEL Astra J (10-17) двигателем (ACDelco Professional) OE
Блок управления CHERY двигателем OE
Типы, конструкция и характеристики блоков управления двигателем
Все ЭБУ двигателя можно разделить на три группы по функционалу:
- Модули управления двигателем без дополнительного функционала;
- Раздельные блоки управления отдельными системами силового агрегата;
- Комбинированные блоки управления двигателем и сопряженными с ним системами.
Устройства первого типа — это обычные модули управления двигателем, берущие на себя все указанные выше обязанности. ЭБУ этого типа могут иметь различный функционал, характеристики и применимость, например — для дизельных и бензиновых двигателей, для моторов с различным типом впрыска (одновременным, фазированным, попарно-параллельным, комбинированным), различных экологических классов и т.д.
Устройство второго типа — это отдельные модули, управляющие только одной или несколькими системами двигателя. Как правило, такие ЭБУ используются для управления системой охлаждения (или отдельно вентилятором) и некоторыми другими. Устройства третьего типа объединяют в себе несколько модулей, наиболее часто — блок управления двигателем и трансмиссией (PCM), но существуют и ЭБУ с более широким функционалом.
Все ЭБУ, независимо от типа и конструкции, имеют две взаимосвязанных составляющих:
- Аппаратное обеспечение — микроконтроллер, входные и выходные устройства, прочее «железо»;
- Программное обеспечение (ПО) — программы с алгоритмами, заложенные в микроконтроллер для выполнения поставленных перед ним задач.
Основу ЭБУ составляет микроконтроллер — микросхема, в которой объединены микропроцессор, модули оперативной и постоянной памяти (ОЗУ и ПЗУ) и необходимые периферийные устройства. В сущности, это готовый компьютер, собранный в одной микросхеме, и решающий строго определенный круг задач.
Также в аппаратное обеспечение модуля управления двигателем входят:
- Аналого-цифровой преобразователь (АЦП) — схема, преобразующая поступающий от датчиков аналоговый сигнал в цифровую форму, удобную для обработки микроконтроллером;
- Цифро-аналоговый преобразователь (ЦАП) — схема, преобразующая поступающий от микроконтроллера цифровой сигнал в аналоговый вид, удобный для обработки исполнительными устройствами и механизмами;
- Схемы преобразования сигналов в соответствии с используемы протоколом обмена данными (CAN, LIN и другими), построенные на специализированных микросхемах;
- Схемы питания и вспомогательные блоки, обеспечивающие бесперебойную работу микроконтроллера, преобразователей и контроллера в целом.
Программное обеспечение ЭБУ — это встроенные в микроконтроллер программы с алгоритмами, на основе которых осуществляется обработка сигналов от датчиков и подача команд на исполнительные устройства. ПО состоит из двух основных блоков:
- Функциональный — блок основных алгоритмов, осуществляющих получение и обработку данных от датчиков и формирование управляющих сигналов, поступающих на исполнительные устройства;
- Контрольно-вычислительный — блок алгоритмов, с помощью которых проверяется работа ЭБУ, корректность формируемых управляющих сигналов, корректировка этих сигналов и т.д. В случае проблем данный блок может переводить ЭБУ и двигатель в аварийный режим работы, либо вовсе отключать их.
Блок управления программируется под определенный двигатель в соответствии с его характеристиками и особенностями эксплуатации. Обычно программирование осуществляется на заводе-изготовителе двигателя или автомобиля, однако при необходимости ЭБУ может быть перепрограммирован.
ЭБУ соединяется с датчиками и исполнительными устройствами с помощью шин, обмен данными по которым осуществляется в соответствии с тем или иным протоколом. Сегодня наиболее распространены протоколы CAN (Controller Area Network) и LIN (Local Interconnect Network), первый чаще используется на зарубежных автомобилях, второй — на отечественных.
Модуль управления двигателем соединен с множеством датчиков — датчиком положения коленчатого вала (ДКПВ), температуры двигателя, кислорода (лямбда-зондом), расхода воздуха, положения дроссельной заслонки, детонации и другими. Выходные сигналы от контроллера поступают на различные устройства — топливные форсунки, блок зажигания, клапан рециркуляции отработавших газов, реле включения и выключения различных агрегатов, блоки управления топливным насосом и другими агрегатами. Также ЭБУ может обмениваться данными с другими системами — трансмиссией, антиблокировочной системой тормозов, системами безопасности и комфорта, и т.д.
Развитие технологий, микроэлектроники и программирования привели к миниатюризации ЭБУ с одновременным увеличением их возможностей. Современный модуль управления двигателем — это компактный блок, имеющий низкое энергопотребление и высокую надежность. ЭБУ, в зависимости от назначения, может иметь питание 6, 12 и 24 В, и оснащаться разнообразными разъемами для подключения датчиков и шин.
Вопросы выбора, замены и настройки блока управления двигателем
Прежде, чем менять или ремонтировать ЭБУ, необходимо убедиться, что именно он является причиной неудовлетворительной работы силового агрегата. О неисправности блока управления говорят некорректное функционирование отдельных систем двигателя, невозможность запуска мотора, плохая управляемость двигателя (не слушается педали газа и т.д.) и другие. Также о поломке могут оповещать соответствующие индикаторы на приборной панели. Во всех этих и многих других ситуациях необходимо выполнить диагностику блока, и в случае неисправности выполнить его замену или ремонт.
ЭБУ двигателя — сложное устройство, ремонт которого доступен только специалистам, поэтому при поломке данного модуля следует обратиться в сервисный центр или к мастерам с соответствующей квалификацией. Самостоятельно выполнять ремонт, замену и настройку ЭБУ рекомендуется только при наличии необходимых знаний и в случае, если у транспортного средства уже закончился гарантийный срок.
В случае полной замены ЭБУ необходимо использовать устройство того же типа и модели, что было установлено на автомобиле ранее. В ряде случаев возможно применение блоков другой модели, однако новое устройство должно обладать тем же функционалом и характеристиками, что и старое. Отдельное внимание при выборе необходимо уделять используемому в ЭБУ протоколу передачи данных — CAN или LIN. Подключить к ЭБУ с шиной CAN устройство, использующее шину LIN, и наоборот, напрямую невозможно, а применение адаптеров значительно повышает стоимость и трудозатраты.
С осторожностью следует прибегать к перепрограммированию ЭБУ при монтаже вспомогательных систем и тюнинге двигателя. Для выполнения данной операции должно использоваться специальное оборудование с лицензионным ПО, в противном случае возможны проблемы и поломки.
При правильном выборе, ремонте или замене ЭБУ силовой агрегат будет надежно и уверенно работать в любых условиях.
В сфере ремонта и строительства самое широкое применение находит простой в применении и универсальный материал — монтажная пена. Все, что вы хотели узнать о монтажной пене, ее существующих типах, составе и характеристиках, а также о подборе и применении этого материала — рассказано в данной статье.
В авторемонтной практике и на различных предприятиях часто возникает необходимость розлива топлив, масел и других технических жидкостей из бочек и еврокубов в малые емкости — для этого используются бочковые насосы, о существующих типах которых, их устройстве, выборе и применении рассказано в статье.
Монтажные, слесарные, электромонтажные и другие работы сложно представить без простого, но функционального инструмента — пассатижей и плоскогубцев. О том, что такое пассатижи и плоскогубцы, какими они бывают и как устроены, а также о правильном выборе и использовании инструмента — читайте в статье.
Эксплуатация автомобиля летом сопровождается специфическими загрязнениями — битумными и смолистыми пятнами, следами насекомых и другими. Эти загрязнения не удаляются водой при мойке, решить проблему помогают специальные средства — очистители битума и следов насекомых, о которых рассказано в статье.
Длительная езда на автомобиле приводит к утомляемости мышц шеи и наносит вред здоровью позвоночника. Решить эти проблемы помогают подушки на подголовники. О том, что такое подушки на подголовники и зачем они нужны, а также об ассортименте, подборе и применении данных аксессуаров — узнайте из статьи.
Для нарезки наружной резьбы с помощью круглых и прямоугольных плашек необходимо использовать специальное приспособление — плашкодержатель или вороток для плашек. Все о воротках, их существующих типах, конструкции и характеристиках, а также о выборе и применении этих приспособлений — читайте в статье.
Резьбовой крепеж прост и надежен, однако повреждение болта или шпильки может привести к невозможности его извлечения и замены. Эта проблема решается с помощью специального инструмента — набора экстракторов. Об этих приспособлениях, их типах, конструкции, выборе и применении читайте в данной статье.
Электронный впрыск дизельного топлива
Дизельный двигатель, в отличие от карбюраторного, при работе всасывает в свои цилиндры атмосферный воздух. В цилиндрах воздух сильно сжимается, температура при этом возрастает до 700 градусов Цельсия, а давление доходит до 900 атмосфер. Этого вполне достаточно, чтобы воспламенилось дизельное топливо, с некоторым опережением впрыскиваемое в цилиндры двигателя. Это избавляет дизель от необходимости применять для воспламенения горючего достаточно капризные и не очень надежные свечи зажигания, которые используются в карбюраторных двигателях.
Однако, решив одну проблему, двигателисты столкнулись с другой – для нормальной, равномерной работы дизеля крайне необходим электронный впрыск дизельного топлива. И нынешнее, достаточно широкое распространение дизелей, в том числе и в легковых автомобилях, стало возможным только после разработки и внедрения надежных и сравнительно недорогих электронных систем, регулирующих подачу топлива в цилиндры двигателя.
Электронная система управления подачей топлива дизеля имеет заметные достоинства:
Во-первых , встроенная система самодиагностики управления дизельным двигателем дает возможность быстро выявлять возникающие неисправности и оперативно их устранять.
Во-вторых , электронный контроль дозирования топлива, впрыскиваемого в цилиндры дизельного двигателя (иначе называемый электронный впрыск топлива), заметно снижает удельный его расход при одновременном сокращении выброса в атмосферу вредных веществ в отработанных выхлопных газах.
В-третьих , электроникой автоматически регулируются обороты холостого хода и ограничивается число оборотов двигателя.
В дизельный двигатель воздух поступает из атмосферы через воздушный фильтр. В случае, когда автомобиль оборудован турбокомпрессором, то он сжимает воздух, который поступает в интеркулер. В интеркулере воздух охлаждается после нагрева, которое является результатом его сжатия в турбокомпрессоре. Это позволяет лучше заполнить цилиндры нагнетаемым воздухом для повышения крутящего момента и соответствующего увеличения мощности двигателя без увеличения его объема.
С целью снижения содержания вредных веществ в выхлопных газах (а дизельные двигатели часто ругают именно за это) их оснащают специальными дизельными окислительными каталитическими преобразователями. Ощутимо снижает содержание окислов азота в выхлопных газах система рециркуляции. Она работает следующим образом: выхлопные газы смешиваются с атмосферным воздухом, который всасывает дизель, и это снижает содержание кислорода, поступающего в его цилиндры. В свою очередь, это задерживает воспламенение топливной смеси и способствует ее сгоранию при пониженной температуре, что и сокращает выброс окислов азота в атмосферу.
Однако рециркуляция выхлопных газов должна быть очень точно дозирована, иначе копоть, как результат неполного сгорания дизельного топлива, оставит за автомобилем ясно видимый дымный след и привлечет к нему самое пристальное внимание экологической инспекции. Поэтому объем воздуха, поступающего в систему рециркуляции, определяется электронным измерительным блоком, что и позволяет с достаточной точностью регулировать весь сложный процесс рециркуляции.
Рассмотрим процесс поступления горючего (впрыск дизельного топлива) непосредственно в камеру сгорания, он происходит по следующей схеме: поступающее в камеры сгорания топливо проходит через вихревые камеры, находящиеся в днищах поршней, которые, соответственно своему названию, и обеспечивают его завихрение для наилучшего смешивания с воздухом и наиболее полного сгорания.
Для управления прогревом двигателя в холодном состоянии используется блок управления дизелем. Например, в случае, если двигатель не прогрет, то блок управления смещает момент впрыска. Кроме того, происходит управление свечей накаливания. А свечи накаливания, в свою очередь, присутствуют в каждом цилиндре, и их включение происходит еще до запуска двигателя, и срабатывают они, как только двигатель проворачивается стартером, и потом еще работают какой-то период времени после запуска. Именно свечи накаливания делают запуск холодного двигателя не таким сложным, упрощают его. Запуск холодного двигателя можно произвести лишь после того, как сигнальная лампа (на приборной панели) сначала загорится (свечи накаливания включены), а затем погаснет. Но при достаточно низкой температуре воздуха свечи отключаются не сразу, а работают ещё какое-то время после того, как двигатель запущен. Именно это способствует стабильной работе двигателя и снижению вредных примесей, присутствующих в его выхлопных газах.
Несомненным достоинством дизельного двигателя, особенно ценным в наших широтах, является его способность сравнительно легко заводиться при низких температурах, и потому использование предварительного накала необходимо лишь в ситуациях, когда столбик термометра надает ниже десяти градусов мороза.
Для нормальной работы дизельного двигателя, вообще-то не очень притязательного к качеству топлива, все же нужно, чтобы оно не содержало воды (а современные отечественные умельцы давно уже опровергли заблуждение химиков, которые считали, что бензин и соляра с водой не смешиваются) и прочих примесей, его загрязняющих. Поэтому топливный фильтр, удаляющий из дизельного топлива все то, чего там не должно быть в принципе, — необходимая часть двигателя. Важно только постоянно следить за его состоянием и своевременно менять фильтрующий элемент.
6.2. Система впрыска топлива дизельного двигателя — общая информация
В состав топливной системы входят: установленный в задней части автомобиля (под подушкой заднего сиденья) топливный бак, топливный фильтр, форсунки, топливные трубки и шланги, датчик запаса топлива, расположенный внутри бака и блок электронного управления двигателем.
Топливо подается специальным насосом через фильтр. В фильтре оседает грязь и вода, содержащаяся в топливе.
При работе дизельного двигателя в его цилиндры всасывается чистый воздух, который сжимается до высокого давления.
При этом температура воздуха поднимается до 700 — 900°С, превышающую температуру воспламенения дизельного топлива. Топливо впрыскивается в цилиндр с некоторым опережением и воспламеняется. Таким образом, свечи зажигания для воспламенения топлива не используются.
Для уменьшения доли вредных веществ в отработавших газах дизельные двигатели имеют дизельный окислительный каталитический преобразователь. Одновременно система рециркуляции обеспечивает существенное снижение в отработавших газах содержание окислов азота. Это достигается благодаря подаче отработавших газов к всасываемому двигателем воздуху, что обеспечивает снижение концентрации кислорода в воздухе, поступающем в цилиндры двигателя. Это приводит к снижению задержки воспламенения и к более низкой температуре сгорания, что в итоге уменьшает образование NOx. Процесс рециркуляции отработавших газов должен однако точно дозироваться, так как в противном случае возрастает содержание копоти в отработавших газах. Для этого количество засасываемого воздуха определяется измерителем, что позволяет электронному прибору управлять процессом рециркуляции.
Впрыск топлива осуществляется непосредственно в камеру сгорания.
Функциональная схема системы впрыска дизельного двигателя
Схема прокладки вакуумных соединений
Схема прокладки вакуумных линий (турбодизельный двигатель 3.0 л)
Клапан отсечки топлива при выключении зажигания отсутствует. Для того, чтобы заглушить двигатель при выключении зажигания, блок управления двигателем посылает в блок управления ТНВД сигнал, который, в свою очередь, прекращает подачу топлива к форсункам.
Топливная система спроектирована таким образом, чтобы не допустить «подсоса» воздуха при отсутствии топлива в баке. Блок управления постоянно проверяет уровень топлива в баке, обрабатывая информацию, поступающую от датчика запаса топлива, расположенного в баке. При падении запаса топлива до определенного уровня блок управления зажигает предупреждающую лампу на приборной доске, после чего принудительно вызывает пропуски подачи топлива, ограничивая тем самым максимальную скорость. Это продолжается до тех пор, пока уровень топлива в баке не превысит допустимую отметку.
Информация о положении коленвала и скорости вращения двигателя поступает в блок управления от датчика положения коленвала (CKP). Индуктивная головка датчика расположена напротив маховика и постоянно сканирует специальные метки (36 штук), нанесенные на его поверхность. При прохождении метки мимо головки датчика он посылает импульс в блок управления. Метки равномерно нанесены на поверхность маховика, но одна метка пропущена. Она должна располагаться в 90° до ВМТ первого цилиндра. В момент прохождения маховиком этой точки датчик не посылает импульс в блок управления. Блок распознает эту паузу и точно определяет момент ВМТ. Длительность этой паузы используется для определения скорости вращения двигателя.
Информация о количестве и температуре поступающего в двигатель воздуха поступает от датчика абсолютного давления впускном трубопроводе (MAP) и датчиков температуры воздуха. Датчик абсолютного давления соединен с трубопроводом вакуумным шлангом и измеряет давление в нем. Установлено два датчика температуры воздуха. Один установлен перед турбокомпрессором, а другой — после интеркулера. Температура и давление воздуха используются для расчета точного количества топлива, которое необходимо падать к форсункам.
Традиционный датчик температуры охлаждающей жидкости заменен на датчик температуры головки блока. Он измеряет температуру головки и посылает полученную информацию в блок управления. Анализируя эту информацию, блок управления корректирует состав и момент впрыска топливной смеси, а также управляет системой прогрева холодного двигателя.
Выключатель стоп-сигналов и датчик педали тормоза информирует блок управления о текущем положении педали тормоза. При получении сигналов с этих датчиков система управления мгновенно переводит двигатель на холостой ход до тех пор, пока не получит сигнал с датчика положения педали акселератора.
Трос акселератора отсутствует. Вместо него на установлен датчик положения педали акселератора. Датчик постоянно информирует блок управления о положении педали, который, в свою очередь, точно рассчитывает параметры впрыска. Холостые обороты также регулируются блоком управления и не могут быть отрегулированы вручную. Анализируя информацию, поступающую с различных датчиков, блок управления рассчитывает величину оборотов холостого хода, корректируя их в зависимости от нагрузки на двигатель и его температуры.
Система впрыска топлива является системой прямого впрыска. В днищах поршней находятся вихревые камеры, обеспечивающие завихрение поступающего в камеры сгорания топлива. Для оптимизации сгорания топлива форсунки открываются в два этапа (для этого внутри каждой форсунки находятся две пружины). При открытии форсунки небольшая часть топлива попадает на внутренние компоненты форсунки, смазывая их, и возвращается в топливный бак.
Управление прогревом холодного двигателя осуществляется блоком управления двигателем. При холодном двигателе момент впрыска смещается блоком управления. Блок управления двигателем, в свою очередь, управляет работой свечей накаливания. Свечи накаливания установлены в каждый цилиндр и включаются перед запуском двигателя, работаю во время проворачивания двигателя стартером и некоторое время после запуска двигателя. Свечи значительно облегчают запуск холодного двигателя. После включения зажигания на приборной доске загорается соответствующая контрольная лампа (обратитесь к Оборудование автомобиля, расположение приборов и органов управления Главы Руководство по эксплуатации), сигнализирующее о включении свечей накаливания. Как только лампа погаснет, Вы можете запускать двигатель. Если температура окружающего воздуха очень низкая, свечи продолжают работать еще некоторое время после запуска двигателя. Этим достигается стабильная работа двигателя и снижение вредных примесей в отработавших газах.
Вследствие высоких пусковых качеств двигателя с непосредственным впрыском в холодном состоянии предварительный накал требуется только при температуре ниже -10°С.
Топливо проходит через топливный фильтр. В фильтре топливо отделяется от воды и загрязнений. Поэтому важно удалять из топлива воду и производить своевременную замену фильтрующего элемента.
Топливная система дизельных двигателей очень надежна. При использовании чистого топлива и выполнении регулярного обслуживания она должна исправно функционировать до окончания срока службы автомобиля. После очень большого пробега внутренние компоненты форсунок могут износиться, и их будет необходимо отремонтировать. Поскольку насос — форсунки имеют сложную конструкцию, ремонт рекомендуется выполнять в специализированной мастерской.
БЛОГ ЭЛЕКТРОМЕХАНИКА
Студенческий блог для электромеханика. Обучение и практика, новости науки и техники. В помощь студентам и специалистам
26.12.2016
Системы управления судовыми дизель-генераторами
- одного из основных дизель-генераторов в случае увеличения нагрузки свыше 80 % мощности работающего генератора;
- основного дизель-генератора и перевод на него нагрузки с валогенератора во время маневровых режимов работы судна, когда значительно изменяются напряжение и частота тока на шинах ГЭРЩ;
- одного резервного дизель-генератора;
- аварийного дизель-генератора при чрезмерном понижении или исчезновении напряжения на шинах основной станции. Время запуска при этом не должно превышать 15 с.
Система автоматического пуска аварийного дизель-генератора обеспечивает его запуск в случае уменьшения напряжения или частоты сети ниже допустимых значений, а также при выходе из строя второго (работающего) дизель-генератора.
Дизель запускается сжатым воздухом давлением 3 МПа. Электрическая схема управления дизель-генератором (рис. 1) питается постоянным током напряжением 24 В от аккумуляторных батарей и от навешенного на главный двигатель зарядного генератора.


Схема автоматического запуска готова к работе при включении автоматов Q1, Q2, Q3 и установке переключателя S1 в положение 1 «Авто-запуск». В случае уменьшения напряжения или частоты тока сети ниже допустимых значений получает питание катушка реле К1, в цепи которой замыкаются контакты реле напряжения валогенератора К2.1 и промежуточного реле частоты тока К3.1. Катушка К2 и К3 включены на шины ГЭРЩ (на схеме не показаны).
Автоматический запуск возможен также при выходе из строя второго дизель-генератора, контакт К4 аварийного реле которого включен параллельно контактам К2.1 и К3.1.
Контакты реле К1 замыкаются в цепи питания электродвигателя M1 маслопрокачивающего насоса. Дизель прокачивается маслом, и в смазочной системе создается давление, приводящее к срабатыванию реле давления S2. Одновременно с помощью электромагнита Y1 снимается защелка электромагнита остановки (стоп-устройства).
Регулятор скорости К5 включает контактор К14. Электродвигатель М2 устанавливает рейку топливного насоса на режим пуска. При замыкании контакта К1.3 получают питание реле времени запуска К15, осуществляющее блокировку пуска по времени, и катушка реле разрешения пуска К7.
Контакт К7.1 включает электромагнит Y2 подачи пускового воздуха, дизель начинает вращаться. Если запуск прошел нормально и дизель перешел на работу на топливе, в цепи катушки реле К10 замыкается контакт реле К8. Контакт К10.2 в цепи реле К1 размыкается.
Последнее своим главным контактом К1.1 отключает электродвигатель прокачки маслом, а контактом К1.3 разрывает цепь питания катушек реле К15 и К7. Реле К7, отключаясь, обесточивает электромагнит Y2. Подача пускового воздуха к дизелю прекращается. Реле К15 возвращается в исходное положение. Катушки реле скорости К5, К8, К9 на схеме не показаны.
По мере возрастания частоты вращения дизеля замыкается контакт реле К9, включающий реле К11 и К12.
Контакт К11.1 отключает реле увеличения частоты вращения К13, контакты реле К12 включают цепи сигнализации и защиты по минимальному давлению масла (на схеме не показаны). Повышение частоты вращения прекращается, так как контакт К13.1 останавливает электродвигатель М2 регулятора скорости дизеля, размыкаясь в цепи его якоря. Дизель-генератор работает с установившейся частотой вращения.
Системы автоматического запуска вспомогательного ДГ
На современных судах широко распространены системы автоматического стартерного запуска дизель-генераторов (рис. 2). Управление дизель-генераторами осуществляется через магнитную станцию автоматического пуска.


В процессе эксплуатации выключатель Q включен, на ГЭРЩ горит сигнальная лампа Н1, свидетельствующая о наличии питания станции автоматического запуска. С помощью переключателя S1 на пульте управления в рубке и на ГЭРЩ один из дизель-генераторов подготавливают к автоматическому запуску, другим дизель-генератором одновременно управляют дистанционно или вручную с местного пульта управления.
При снижении или исчезновении напряжения на ГЭРЩ через контакты реле К7—К9 (катушки их не показаны) схема автоматического запуска подключается к аварийной аккумуляторной батарее. Реле К1 и К2 мгновенно срабатывают и включают питание накала свечей R1, R2 дизель-генераторов. Затем с выдержкой времени в 7—9 с замыкается контакт реле времени К2.2 в цепи питания катушки реле времени К3 и звонка Н2. Реле К3 мгновенно одним контактом К3.1 замыкает цепь катушки контактора К5 или К6. Контактор включает реле стартера К10 соответствующего дизеля. Стартер вращает дизель, который затем переходит на работу на топливе.
Контакт К11 или К12 реле скорости соответствующего дизеля разомкнется при достижении дизелем частоты вращения около 500 об/мин. Через 5—6 с от начала запуска контакт К3.2 замкнет цепь катушек реле К4, которое, сработав, разорвет цепь катушек реле К1 и K2. Схема автоматического запуска обесточится и будет подготовлена к повторному действию.
Если дизель не запустился, его повторный пуск произойдет только после полной остановки, т. е. когда контакты реле К11 и К12 окажутся замкнутыми. В случае запуска дизеля на выводах генератора появится напряжение, в результате чего реле напряжения К7 или К8 сработает и разорвет цепь питания схемы запуска.
Автоматический пуск АДГ
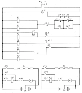
В состав схемы автоматического пуска аварийного дизель-генератора и приема нагрузки (рис. 3) входят:
- реле напряжения К1 и реле времени К2, осуществляющие контроль напряжения на шинах ГЭРЩ. При исчезновении напряжения эти реле включают систему автозапуска и обеспечивают предварительную прокачку дизеля маслом;
- M1—стартер, включаемый с помощью реле стартера К3 и реле пуска К4;
- G2— генератор постоянного тока, приводимый во вращение дизель-генератором. Он служит для зарядки аккумуляторной батареи. Схемы зарядной станции и обмотки возбуждения машин на рис. 3 не показаны;
- М2 — двигатель масляного насоса для предварительной прокачки масла;
- К5—реле удавшегося запуска, срабатывающее при достижении дизелем частоты вращения 500—600 об/мин. Это реле подает импульс на отключение стартера и дальнейшее увеличение подачи топлива с помощью двигателя подачи топлива М3;
- Q1, S9, S7 — соответственно выключатель автоматический аварийного генератора G1, выключатель ручной прокачки масла и выключатель звукового сигнала Н2;
- К6—реле нормальной частоты вращения, срабатывающее после замыкания контакта конечного выключателя подачи топлива S6 при нормальной частоте вращения дизель-генератора. Это реле включает реле подключения нагрузки К7, в результате чего обеспечивается прием 50 % нагрузки. Включение и выключение элементов схемы в заданной последовательности осуществляются программным реле времени, имеющим двигатель М4 и пять контактов S1—S5. Диаграмма замыкания контактов приведена на рис. 4.


При подготовке схемы к действию (см. рис. 3) включается автоматический выключатель Q1. При исчезновении напряжения на шинах ГЭРЩ теряют питание реле К1 и К2 и контакторы К11 и K12. Гаснет сигнальная лампа Н1. Реле К1 своим размыкающим контактом К1.2 через замыкающий контакт реле времени К2.1 подает питание двигателю масляного насоса М2 и включает звуковой сигнал Н2.
Если через 3 с напряжение на шинах ГЭРЩ не восстановится, реле времени К2, переключая свои контакты, отключит двигатель М2 и подаст питание двигателю подачи топлива М3 и двигателю М4 программного реле. Двигатель М3, проработав 3 с, устанавливает пусковую подачу топлива. В начале работы двигателя М4 программного реле замыкает контакт S1 и получает питание реле пуска К4, которое включает реле стартера К3, а последнее — стартер M1.
Если запуск дизеля осуществился, то срабатывает реле удавшегося запуска К5, катушка которого включена на выводы навешенного генератора G2. Реле К5 своим размыкающим контактом К5.1 лишит питания реле пуска К4, которое в свою очередь отключит стартер M1 и прервет цепи питания звукового сигнала Н2.


Замыкающий контакт реле К5.2 вновь включит двигатель М3 в сторону увеличения подачи топлива. При достижении полной подачи топлива, соответствующей нормальной частоте вращения дизеля, контакт конечного выключателя S6 включит реле нормальной частоты вращения К6, а последнее своим размыкающим контактом К6.1 отключит двигатель М3.
Замыкающий контакт К6.2 подаст питание реле подключения нагрузки К7, которое включает реле К8, а последнее — контактор К13, подключающий 50 % нагрузки к шинам аварийного дизель-генератора. Двигатель М4 программного реле продолжает вращаться, получая питание через контакты S5 и К5.3. Примерно через 30 с после начала работы системы автозапуска замкнется контакт S3 программного реле, включающий реле К9, а последнее контактор К11. К шинам аварийного дизель-генератора подключается вторая половина потребителей. Так как при этом открывается контакт S5 программного реле, то его двигатель М4 останавливается в положении готовности к работе в следующем цикле запуска дизель-генератора.
Контакт S1 программного реле включается трижды через промежутки времени в 3 с. В случае если первый пуск не состоится, происходят еще два повторных включения стартера. После трех неудачных попыток запустить дизель-генератор контакт S4 программного реле размыкается, и двигатель М4 останавливается.
Звуковой сигнал продолжает работать, так как реле К5 не включилось. Программное реле устанавливается в исходное положение включением двигателя М4 с помощью кнопочного выключателя S8 и работой его до момента замыкания контакта S4 и размыкания контакта S5.
При восстановлении напряжения на шинах ГЭРЩ обеспечивается автоматическое переключение нагрузки с щита аварийного дизель-генератора на ГЭРЩ. В этом случае получают питание реле К1 и К2, а схема управления автозапуском обесточивается.
Отключаются реле К8 и контактор К13, что вызывает отключение нагрузки от шин щита аварийного дизель-генератора G1. Через размыкающий контакт К13.2 получает питание реле К10 и, следовательно, контактор К12, подключающий нагрузку к ГЭРЩ. Аварийный дизель-генератор останавливают вручную. При этом теряет питание реле К5, которое своим размыкающим контактом включает лампу Н1, сигнализирующую о готовности системы к автоматическому пуску дизель-генератора.
Автоматический контроль и защита судовой электростанции
На современных судах выполняются автоматический контроль и защита агрегатов судовой электростанции и сети при помощи системы с применением микроЭВМ. Система осуществляет: контроль и защиту генераторов; контроль и защиту первичных двигателей; контроль и защиту сетей; индикацию результатов контроля и неисправностей.
Основными элементами микроЭВМ являются: микропроцессор с программируемой логикой; оперативная память; устройства управления вводом-выводом. Система выполнена в виде функционально законченных блоков, объединенных в устройства по каждому объекту электростанции. Реализация различных операций по времени в микроЭВМ выполняется на принципе программируемой логики число-импульсным методом. Блоки имеют некоторое число структурных схем программируемых каналов, каждый из которых предназначен для контроля одного параметра или для защиты агрегата от какой-то одной неисправности. В каждом канале используются сигналы различной частоты через определенные временные интервалы. Временная программа сигналов предназначена для защиты от помех и от ложных срабатываний датчиков.
Блок защиты генераторов обеспечивает защиту каждого генератора от перегрузки по току, тока короткого замыкания и обратной мощности при параллельной работе.
Блок защиты судовой сети предохраняет от обрыва фаз, перенапряжения, снижения напряжения и частоты тока.
Блок защиты первичных двигателей осуществляет контроль и защиту дизелей при отклонении параметров работы их систем и ответственных узлов.
Система предусматривает деление всех контролируемых неисправностей на две группы. К первой группе относятся отклонения технического состояния дизеля, которые требуют ускоренного его выключения из работы (например, упало давление масла в смазочной системе дизеля). В результате система контроля и защиты меняет режим работы всей электростанции с автоматическим запуском резервного дизель-генератора. К второй группе относятся неисправности, допускающие определенную задержку включения резервного дизель-генератора.
Световая сигнализация осуществляется светодиодами. При появлении сигнала о неисправности или при отклонении параметра на соответствующий светодиод поступает пульсирующее напряжение частотой 1 Гц, сигнализируя мигающим светом.
Система с применением микроЭВМ имеет автоматическую проверку состояния электроники основных блоков при помощи тактовых импульсов повышенной частоты с часовым интервалом следования. По импульсу на все каналы подаются контрольные сигналы, имитирующие предельные значения рабочих параметров электронных элементов. Через промежуток времени, предусмотренный для процесса проверки, автоматически прекращается контроль состояния элементов, и система возвращается в обычный рабочий режим.
